In diesem kurzen Beitrag möchte ich dir zeigen wie du einen Adapter für ein kleinen FTDI Modul für die ESP32 CAM lötest.

Bisher habe ich immer die ESP32 CAM mit Breadboardkabel am FTDI Modul angeschlossen da dieses auf dauer doch etwas lästig ist habe ich mir diese kleine Schaltung auf eine Lochrasterplatine mit Buchsten- / Steckleisten gelötet.
Benötigte Ressourcen
Für dieses Projekt benötigst du:
- eine ESP32 CAM,
- ein FTDI Modul,
- eine Lochrasterplatine,
- diverse Litzen 0,25 mm,
- zwei 8-polige Buchsenleisten,
- eine 6-polige Stiftleiste, abgewinkelt,
- eine 2-polige Steckleiste, abgewinkelt,
- eine 2-polige Schraubklemme,
- einen Jumper / eine Steckbrücke
FTDI Module
Auf dem Markt gibt es diverse FTDI Module.
Diese unterscheiden sich in:
- Größe,
- Pinbelegung,
- Preis
Besonders muss man bei der Pinbelegung darauf achten!


Das größere FTDI Modul auf dem Bild hat ein kleines Manko, der Jumper / die Steckbrücke ist so dich an der Steckerleiste platziert so, dass die Beschriftung leider nicht gut lesbar ist.
Mini FTDI Modul
In dieser Schaltung verwende ich das kleine FTDI Modul ohne zusätzliche Lötaugen. Dieses verfügt über eine 6-polige Buchsenleiste und auf der Rückseite über 3 Lötpunkte über welche man die Spannung festlegt.



Werkzeuge
Nachfolgende Werkzeuge habe ich für den Aufbau benötigt:
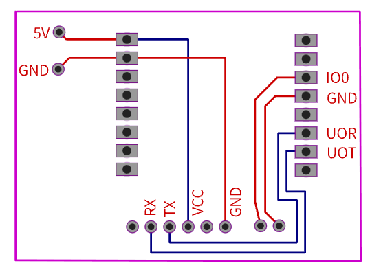
Aufbau der Schaltung
Die Schaltung ist im Grunde die gleiche wie auf dem schematischen Aufbau zu sehen.

Als kleinen Unterschied habe ich hier einen Jumper / eine Steckbrücke zwischen IO0 und GND eingebaut sowie den Pin „GND“ neben dem 5V Pin benutzt (einfacher für die Schraubklemme).
Das PCB Layout habe ich in der Software EasyEDA erzeugt, d.h. man könnte nun mit wenigen Klicks dieses in China über jlpcb.com für 4 $ zzgl. Versandkosten erzeugen lassen.
fertiger DIY FTDI Adapter für die ESP32 CAM





Letzte Aktualisierung am: 29. April 2023






