Was ist ein Fotowiderstand?
Ein Fotowiderstand ist ein Widerstand welcher Lichtabhängig seine Größe bestimmt.
D.h. je höher die Lichtintensität, welche auf den Fotowiderstand wirkt, desto kleiner ist sein innerer Widerstand.
Eine Schaltung mit dem Fotowiderstand
Die nachfolgende Schaltung soll die Wirkungsweise eines Fotowiderstandes verdeutlichen.
Wir wollen nun unsere bekannte LED Schaltung so verändern, dass der Fotowiderstand die Lichtintensität der LED beeinflusst.
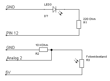
Der Schaltplan mit eingebautem Fotowiderstand:
Wie auf dem Bild zu erkennen ist, handelt es sich hierbei um zwei Schaltungen welche an den Mikrocontroller angeschlossen werden.
Die untere Schaltung enthält den Fotowiderstand, welcher an den analogen PIN 2 angeschlossen wird. Mit diesem analogen PIN kann ein Wert von 0 bis 255 gelesen werden.
Die obere Schaltung ist von der Lektion 1 bekannt welche an den digitalen PIN 12 angeschlossen wird, dieser PIN ist im PWM Format und kann somit über den Quellcode gesteuert werden.
Der Quellcode zur Schaltung:
int fotoZellePin = 2; //Bestimmt das der Fotowiderstand an PIN2 angeschlossen ist
int ledPin = 12; //Bestimmt das die LED an den Ausgang des PIN12 angeschlossen ist
int value = 0; //Bestimmt den aktuell gelesenen Wert
void setup() {
pinMode(ledPin, OUTPUT); //Setzt den Ausgang für die LED
}
void loop() {
value = analogRead(fotoZellePin); //Ließt den Wert des Sensors vom Analogen PIN2
if(value<=512){ //512=2.5V, Wenn Sie den Sensor sensibler haben möchten erhöhen Sie diesen Wert, oder verringern Sie diesen.
digitalWrite(ledPin, HIGH); //Wenn der Wert < 512 ist dann soll die LED aufleuchten.
} else{
digitalWrite(ledPin, LOW); //andernfalls soll diese ausgeschaltet sein.
}
}
Hier nun das Video, es ist gut zu erkennen, dass wenn ich den Finger auf den Fotowiderstand lege die LED aufleuchtet. Ich habe meinte Tischleuchte in diesem Video ausschalten müssen, da sonst die Lichtintensität nicht messbar verändert werden würde.
Hier nun der Download zum Quellcode:
Letzte Aktualisierung am: 02. Mai 2023







Bei mir war der 10KOhm zu groß, da hat die LED durchgehend gebrannt.
Mit 2 KOhm hats aber funktioniert! 🙂
Stimmt, habe mal gegoogled der Widerstand ist abhängig vom verwendeten Fotowiderstand.
Gruß,
Stefan
Hey, kannst du auch die Berechnung darstellen?
und was man wie am fotowiderstand Messe muss für die Berechnung?
LG