In diesem Beitrag möchte ich dir zeigen, was das dreiundzwanzigste Türchen des Conrad Adventskalender 2021 versteckt.

Den Conrad Adventskalender 2021 habe ich mir selber gekauft und daher ist dieser Beitrag auch nicht als gesponsort oder als Werbung gekennzeichnet. Einzig das ich diesen Versandkostenfrei erhalten habe wurde ich nicht weiter unterstützt.
Hinter dem dreiundzwanzigsten Türchen versteckte sich:
- ein 20 MOhm Widerstand
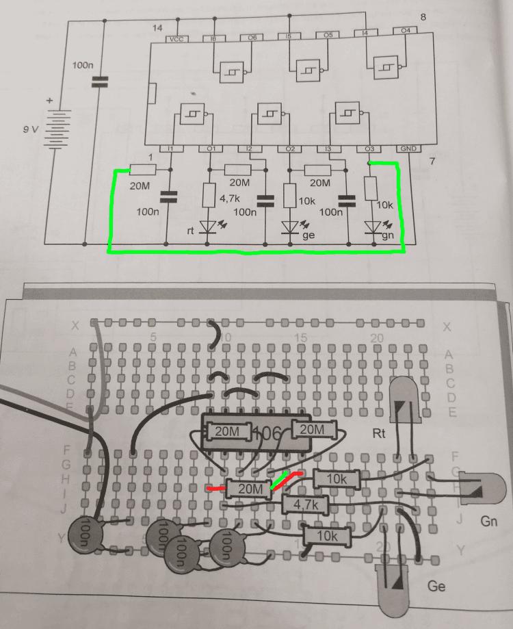
Aufbau der Schaltung – Dreiphasenlauflicht aus dem dreiundzwanzigsten Türchen des Conrad Adventskalender 2021
Die Widerstände werden dieses Mal zwischen den Ausgängen des einen Inverters mit dem Eingang eines anderen Inverters verdrahtet. Dadurch entsteht eine Verzögerung, mit welchem der Zustand invertiert am folgenden Ausgang erscheint.


Diese Schaltung wird auch als „Laufzeit-Oszilator“, „Phasenschieber-Oszilator“ bezeichnet.
Darüber hinaus stellt diese Schaltung auch ein vereinfachtes Modell eines Drehstrommotors dar.
Achtung – Fehler in der Anleitung
In der Anleitung hat sich heute ein kleiner Fehler eingeschlichen, welcher mir echt Kopfzerbrechen bereitete.
In der Anleitung zu den Schaltungen gibt es immer eine Schaltung mit den elektrischen Symbolen (oben im Bild) und einmal auf einem Breadboard (unten im Bild).
In den Tagen zuvor habe ich mich immer an die Schaltung auf dem Breadboard gehalten und bin damit sehr gut gefahren und nur heute ist dort ausgerechnet ein Fehler drin.
Der 20 MOhm Widerstand welcher von I1 nach O3 (Strecke mit grün markiert) geschaltet wird, ist auf dem Breadboard von I1 nach GND geschaltet. Das Ergebnis ist in diesem Fall, dass die gelbe LED blinkt, aber die rote & grüne dauerhaft leuchtet.

Ein großer Dank geht an den YouTube Kanal volapueck welcher in seinem Video Tag 23; 2021; Conrad Elektronik Adventskalender; Dreiphasenlauflicht; Schmitt-Trigger auf genau diesen Fehler eingeht.
Video
Wenn die Schaltung fertig aufgebaut ist, dann blinken die LEDs reihum.
Letzte Aktualisierung am: 09. Januar 2025




